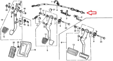
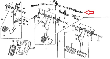
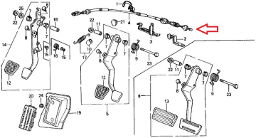
Debriyaj Teli Civic 1988-1991
Debriyaj Teli Civic 1988-1991
Ürün Markası : ITAQI
Ürün Kodu : 22910-SH3-A05-I

Firmamız E-Fatura mükellefidir.Siparişte girilen fatura bilgilerine düzenlenen faturanız kayıtlı olan e-posta adresinize gönderilmektedir.
KARGO SÜRECİ
Hafta içi 16:00 ' dan önce verilen siparişleriniz ürün detayında belirtildiği gibi (aynı gün kargo,ertesi gün,2-3 gün içinde kargo) işleme alınacaktır.16:00 ' dan sonra verilen siparişler ürün detayda yer alan kargo süresine göre işleme alınacaktır.
Ürünler paketlenmeden önce kalite kontrolden geçirilmektedir,ürün türüne göre balonlu naylon ile çok kat sarılarak bantlanmaktadır.
İADE & DEĞİŞİM
Almış olduğunuz ürünlerde müşteri memnuniyeti kapamında ambalajı ve orjinalliğinin bozulmamış olması kaydı ile 14 gün içerisinde iade alınabilmektedir.